CÁCH XỬ LÝ THAY THẾ KHI IPHONE 6 CỦA APPLE MẤT ĐÈN MÀN HÌNH
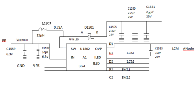
Khi iphone 6 mất đèn màn hình thì ta sẽ thấy màn hình tối đen, nhưng nhìn kỹ sẽ thấy vẫn có hiển thị hình ảnh nhưng do mất đèn nên ta không nhìn thấy hình. Với pan bệnh này, ta biết là hiển thị bình thường và chỉ hỏng mạch led màn hình. Nó có 2 nguyên nhân và ta sẽ xử lý như sau:*Cách thứ nhất đơn giản hơn là do 3 đường led cấp lên màn hình bị đứt. Trong trường hợp này ta xử lý bằng cách sử dụng đồng hồ vạn năng ở thang đo điện trở để cho nội trở mạch điển ở 3 điểm là:
+ Chân số 1 ở connec J2019 đi qua cuộn dây Fλ 2026 đến châ
n D2 của ic đèn µ1502.+ Chân số 4 ở connec J2019 đi qua cuộn dây Fλ2025 đến chân D3 của ic đèn µ1502 trong 3 chân cấp áp cho điot phát quang trên màn hình mất chân nào ta câu lại chân đó là xong.
*Cách thứ hai: là mất đèn do các tụ lọc nguồn cho đèn led bị chập, ta kiểm tra bằng cách:
+ Dòng đồng hồ vạn năng ở thang đo điện trở, thang Ω x 1, que đỏ để mass, que đen ta đo vào 3 chân 1, 2, H của connec J2019. Chân nào làm kim đồng hồ vạn năng lên là chân đó bị chập. Với pan bệnh này thường là do 3 tụ lọc C1503, C1503, C1531, C1505 bị chập. Khi một trong ba tụ này chập sẽ làm cho ic µ1502 và D1501 và λ1503 bị hỏng thì ta cách ly 3 tụ C1503, C1531, C1505 mà hết chập ta phải thay bằng 3 tụ khác thay thế và thay luôn ic µ1502 và D1501 và λ1503 là mạch đèn đã sáng trở lại:











